- Описание
- Характеристики
- Вопросы
- Отзывы (1)
Самовсасывающие центробежные насосы серии J используются в областях, где требуется большая глубина всасывания в сочетании с возможностью перекачки жидкостей с большим содержанием песка, грязи и твердых частиц. В зависимости от модели диаметр частиц может достигать до 76мм.
Преимущества:
- Быстрое самовсасывание без донного обратного клапана с глубины до 7,5 м
- Высокая стойкость насоса к абразивным жидкостям и твердым фракциям
- Полуоткрытое рабочее колесо из высокопрочного чугуна
Модель
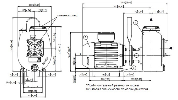
Самовсасывающий насос Varisco JE 3-100 G10 NT20
Производитель
VARISCO
Частицы мм
25
Мощность, кВт
2.2
Гарантия, мес
12
Тип установки
Горизонтальный
Серия
JE
Комплектация
Без поплавка
Тип насоса
Тип жидкости
Для грязной воды
Напор, м
1 - 14
Подача max, м3/ч
65
Страна производства
Италия
Р
Рутектор
Москва
Уважаемые клиенты! Мы являемся официальными дистрибьюторами продукции VARISCO на территории России. Вы можете задать вопрос специалисту или оставить отзыв о товаре. Нам важно знать ваше мнение.
Показано
1 из 1 результатов






