Насос шестеренчатый Fraccarolo - FA/30 - 7,5/1500 300C° (FAM/30)
Распечатать
- Описание
- Характеристики
- Вопросы
- Отзывы (1)
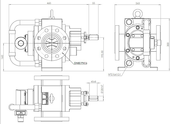
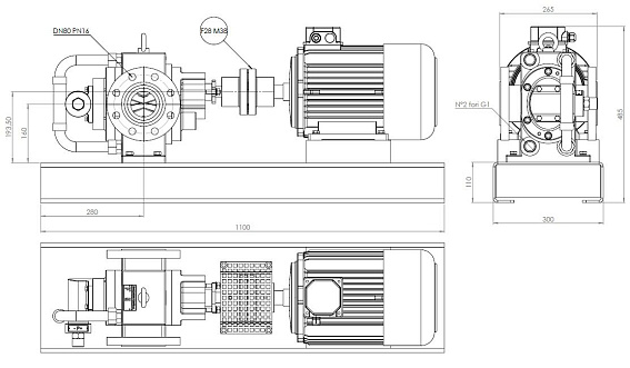
Насос: FAМ/30
Область применения: перекачка мазута, битума, нефти, масла, жиры, краски и тд.
Подача: 500 л/мин
Давление: до 6 bar
Рабочая температура: max 300°
Насосы могут поставляться с двигателем, на раме, с байпасом
Насосы типа FAМ – шестеренные насосы с внешним зацеплением объемного действия являются мощным и удобным вариантом насоса для перекачки жидкостей с высоким уровнем вязкости и не содержащих включения. Данные насосы способны работать при больших давлениях по сравнению с насосами, которые имеют внутреннее зацепление.
Все насосы комплектуются рубашкой обогрева, позволяющая насосам перекачивать жидкости с высокой вязкостью, которые можно перекачать только при высоких температурах. В стандарте идет гидравлическая рубашка (паровая, масляная и т.д.). По спецзаказу возможна поставка насоса с электрическим обогревом корпуса.
Насос типа FAМ состоит из:
- Корпус насоса- чугун G25, шестерни из специально подготовленной стали, самосмазывающиеся подшипники и сальниковые уплотнения для работы в тяжелых условиях.
- Защитная сетка муфты двигателя;
- Соединительная эластичная муфта
- Асинхронный трехфазный двигатель
дв.,кВт
t° до
Москва
Уважаемые клиенты! Мы являемся официальными дистрибьюторами продукции FRACCAROLO на территории России. Вы можете задать вопрос специалисту или оставить отзыв о товаре. Нам важно знать ваше мнение.
Показано
1 из 1 результатов



